PSC2-150-1/2-S
Two Point, One Ball, SS Body Level Sensor
● Float Length 28mm
● Temp. -40°~125°C
● Contact: NC/NO
● Float Material SS 316

Technical Data
Parameters | Details |
---|---|
Model | PSC2-150-1/2-S |
Operation Life | 1*10⁶ (DC:5V, 10mA) |
Insulation Resistance | ≥100MΩ |
Contact Resistance | ≤ 0.4Ω |
Max. Limiting Current | 1.0A |
Max. Switching Current | 0.5A |
Contact min. Pressure | DC: 250V |
Max. Switching Voltage | 100V |
Max. Contact Power | 10W |
Switch Type | NO |
Min. Shock Resistance | 30G |
Suitable Temperature | -40°C ~ 120°C |
Min. Vibration | 30G(10~50Hz) |
Humidity | 95%RH(80°C) |
Waterproof | (Float Ball)6% (1000hr) |
For | Water |
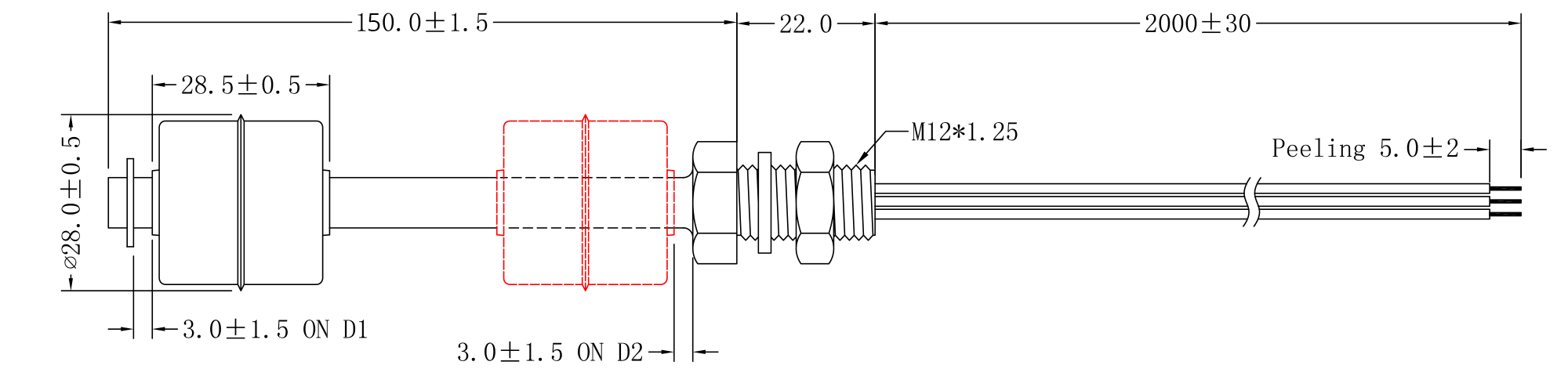
Dimension Drawing

Internal Schematic Diagram
